LKB butterfly valve, HNBR gasket

Application:

LKB butterfly valve, manually operated sanitary flap valve for use in connection with dairy pipe installations. 

Construction:

  • Delivered with gaskets in EPDM, alternatively in HNBR and Viton
  • Smooth and easy-to-clean exterior surface
  • Straight with weld ends
  • Handle with safety lock
  • Full passage

Quality:

Made of stainless steel AISI 316.

Operating conditions:

  • The temperature ranges from -10°C to +95°C
  • Pressure max. 10 bar
  • Vacuum: Full vacuum 
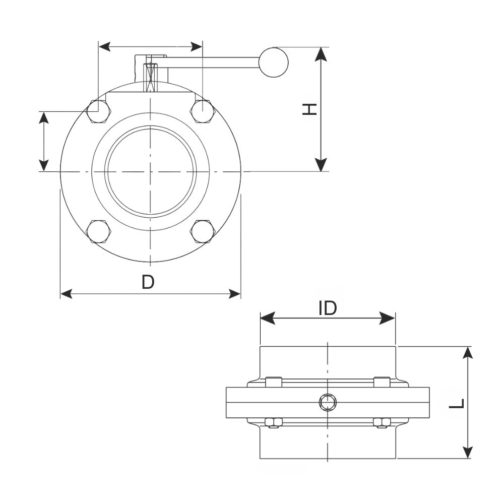
Item number Nominal dim.
mm.
D Dia.
mm.
Length L
mm.
Height H
mm.
Working pressure
bar
Net weight
kg.
Base unit Quantity
0515029150 25,0 78 47 82,0 10,0 1,600 PCS
0515029190 38,0 78 47 82,0 10,0 1,300 PCS
0515029230 51,0 99 52 92,0 10,0 2,100 PCS
0515029250 63,5 117 54 102,0 10,0 2,900 PCS
0515029270 76,1 132 62 107,0 10,0 5,000 PCS
0515029290 101,6 169 80 127,0 10,0 7,900 PCS
Subject to incorrect product data, variations in images/videos, and price and exchange rate changes.
Luk

It only takes 1 minute...

Luk
Log in

There was an error!

Create new password

There was an error!

We've sent you an email with a link to create your new password. Please check your spam folder if you cannot find it.