Type 212 mechanical seal

Application: 

Mechanical seal for e.g. pipe works. 
Can be mounted in e.g. RCN-3A, RCN-4, LKR 5 and 4512. 

Construction: 

  • The mechanical seal has an open compression spring
  • Provided with a rubber sleeve that acts as a secondary sealing around the shaft
  • Is not directional

Quality: 

  • Spring in stainless steel
  • Rubber bellow in either nitrile or EPDM rubber
  • The slide ring is in carbon or silicon
  • The seat is made of ceramic or silicon 

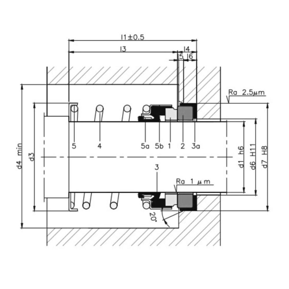
Components:

1. Rotating contact surface
2. Stationary contact surface
3. Bellows
3a. Elastomeric cup
4. Spring
5. Ring
5a. Drive ring
5b. Metal frame

Item number Shaft dia.
mm
Rotating part
material
Stationary part
material
Elastomer
type
Pump
type
Base unit Quantity
03452120103E 10,0 Car Cer EPDM PCS
03452120103N 10,0 Car Cer NBR PCS
03452120123E 12,0 Car Cer EPDM PCS
03452120123N 12,0 Car Cer NBR PCS
03452120125N 12,0 Car Sic NBR PCS
03452120133E 13,0 Car Cer EPDM PCS
03452120153N 15,0 Car Cer NBR PCS
03452120163E 16,0 Car Cer EPDM PCS
03452120163N 16,0 Car Cer NBR PCS
03452120165E 16,0 Car Sic EPDM PCS
03452120183E 18,0 Car Cer EPDM PCS
03452120183N 18,0 Car Cer NBR PCS
0345212018S5N 18,0 Car Sic NBR PCS
03452120203E 20,0 Car Cer EPDM RCN-3A & 4533 PCS
03452120203N 20,0 Car Cer NBR RCN-3A & 4533 PCS
03452120205E 20,0 Car Sic EPDM RCN-3A & 4533 PCS
03452120207E 20,0 Sic Sic EPDM RCN-3A & 4533 PCS
03452120207N 20,0 Sic Sic NBR RCN-3A & 4533 PCS
03452120207V 20,0 Sic Sic Viton RCN-3A & 4533 PCS
03452120223N 22,0 Car Cer NBR PCS
03452120243E 24,0 Car Cer EPDM PCS
03452120243N 24,0 Car Cer NBR PCS
0345212024L43E 24,0 Car Cer EPDM PCS
03452120253E 25,0 Car Cer EPDM PCS
03452120253N 25,0 Car Cer NBR PCS
03452120255E 25,0 Car Sic EPDM PCS
03452120257E 25,0 Sic Sic EPDM PCS
03452120257N 25,0 Sic Sic NBR PCS
03452120283E 28,0 Car Cer EPDM PCS
03452120285E 28,0 Car Sic EPDM PCS
03452120303E 30,0 Car Cer EPDM PCS
03452120303N 30,0 Car Cer NBR PCS
03452120305E 30,0 Car Sic EPDM PCS
03452120305N 30,0 Car Sic NBR PCS
03452120307E 30,0 Sic Sic EPDM PCS
03452120307N 30,0 Sic Sic NBR PCS
03452120307V 30,0 Sic Sic Viton PCS
03452120323E 32,0 Car Cer EPDM PCS
03452120323N 32,0 Car Cer NBR PCS
03452120353E 35,0 Car Cer EPDM 4512; 4534 & LKR-5 PCS
03452120353N 35,0 Car Cer NBR 4512; 4534 & LKR-5 PCS
03452120353V 35,0 Car Cer Viton 4512; 4534 & LKR-5 PCS
03452120355E 35,0 Car Sic EPDM 4512; 4534 & LKR-5 PCS
03452120355N 35,0 Car Sic NBR 4512; 4534 & LKR-5 PCS
03452120355V 35,0 Car Sic Viton 4512; 4534 & LKR-5 PCS
03452120357E 35,0 Sic Sic EPDM 4512; 4534 & LKR-5 PCS
03452120357N 35,0 Sic Sic NBR 4512; 4534 & LKR-5 PCS
03452120357V 35,0 Sic Sic Viton 4512; 4534 & LKR-5 PCS
03452120383E 38,0 Car Cer EPDM PCS
03452120383N 38,0 Car Cer NBR PCS
03452120403E 40,0 Car Cer EPDM RCN-4 PCS
03452120403N 40,0 Car Cer NBR RCN-4 PCS
03452120403V 40,0 Car Cer Viton RCN-4 PCS
03452120405E 40,0 Car Sic EPDM RCN-4 PCS
03452120407E 40,0 Sic Sic EPDM RCN-4 PCS
03452120407N 40,0 Sic Sic NBR RCN-4 PCS
03452120407V 40,0 Sic Sic Viton RCN-4 PCS
03452120433N 43,0 Car Cer NBR PCS
03452120453E 45,0 Car Cer EPDM PCS
03452120453N 45,0 Car Cer NBR PCS
03452120455E 45,0 Car Sic EPDM PCS
03452120455N 45,0 Car Sic NBR PCS
03452120457E 45,0 Sic Sic EPDM PCS
03452120457N 45,0 Sic Sic NBR PCS
03452120457V 45,0 Sic Sic Viton PCS
03452120503E 50,0 Car Cer EPDM PCS
03452120503N 50,0 Car Cer NBR PCS
03452120507E 50,0 Sic Sic EPDM PCS
03452120507N 50,0 Sic Sic NBR PCS
03452120507V 50,0 Sic Sic Viton PCS
0345212055L15N 55,0 Car Sic NBR PCS
03452120603E 60,0 Car Cer EPDM PCS
03452120603N 60,0 Car Cer NBR PCS
03452120605E 60,0 Car Sic EPDM PCS
03452121003E 100,0 Car Cer EPDM PCS
Subject to incorrect product data, variations in images/videos, and price and exchange rate changes.
Luk

It only takes 1 minute...

Luk
Log in

There was an error!

Create new password

There was an error!

We've sent you an email with a link to create your new password. Please check your spam folder if you cannot find it.