Mini non-return valve

Application:

Compact mini non-return valve for pneumatic applications in corrosive environments in contact with water, gases, and weak acids. Suitable for food production, chemical industry, and medical applications.

Construction:

  • O-rings in Viton
  • Unidirectional flow
  • Female/female

Quality:

Made of stainless steel AISI 316.

Operating conditions:

  • The temperature Viton (gasket) ranges from -20°C to +205°C
  • The temperature EPDM (gasket) ranges from -40°C to +130°C
  • Pressure: Max. 20 bar 
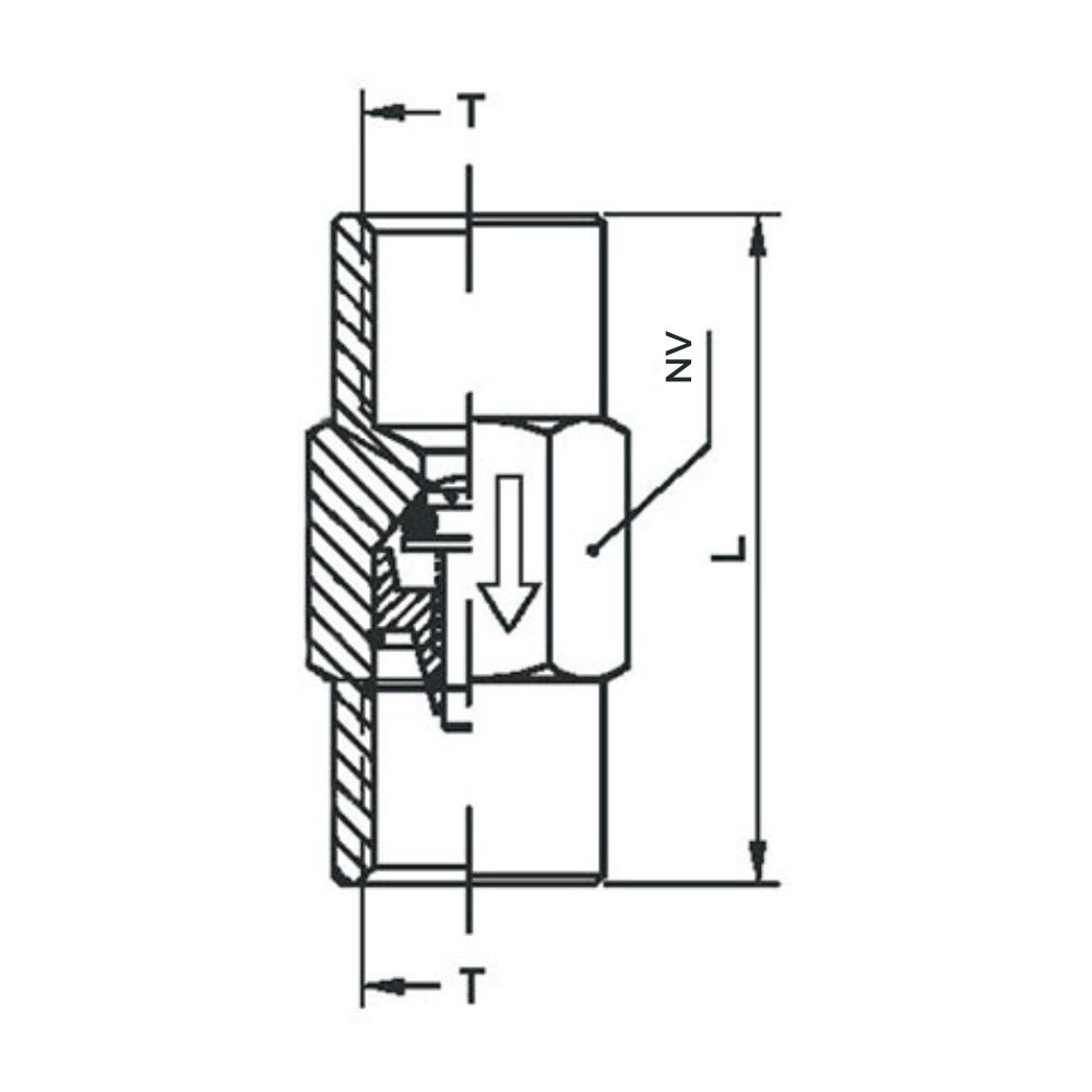
Item number Nominal dim.
inch
Connection
RG
Length L
mm.
Key width NV
mm.
Opening pressure
bar
Working pressure
bar
Net weight
kg.
Base unit Quantity
0525059020 1/8" 1/8" 40,0 17,0 0,35 20,0 0,048 PCS
0525059060 1/4" 1/4" 41,0 17,0 0,30 20,0 0,043 PCS
0525059080 3/8" 3/8" 47 22,0 0,25 20,0 0,084 PCS
0525059100 1/2" 1/2" 56,0 27,0 0,08 20,0 0,143 PCS
0525059130 3/4" 3/4" 66,5 36,0 0,10 20,0 0,330 PCS
0525059150 1" 1" 79,0 41,0 0,80 20,0 0,388 PCS
Subject to incorrect product data, variations in images/videos, and price and exchange rate changes.
Luk

It only takes 1 minute...

Luk
Log in

There was an error!

Create new password

There was an error!

We've sent you an email with a link to create your new password. Please check your spam folder if you cannot find it.