Cartridge seal LDC40 Double

Application:

Double cartridge for sealing and preventing liquid or gas leaks. Double cartridge seals are used in more demanding applications where single cartridges are not sufficient.

Please note that the product can be delivered in more dimensions and materials than those listed. Please contact us for more information.

Construction:

  • Multispring
  • Balanced
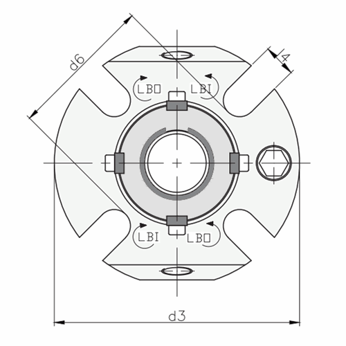
  • With 4 mounting holes
  • Not dependent on the direction of rotation

Quality:

  • AISI 316 stainless steel flange
  • Bushing in Hastelloy

Operating limits:

d= diameter, p = pressure, v = velocity, t = temperature

  • d1 = 25 ÷ 100 mm
  • p = 25 kg/cm2
  • v = 16 m/s
  • t = -15 ÷ +200°C

Components:

1p. Rotating contact surface product side
2p. Stationary contact surface product side
1a. Stationary contact surface atmospheric side
2a. Rotating contact surface atmospheric side
  3. O-rings
  4. Springs
  5. Set screws
  6. Sleeve
  7. Flange
  8. Setting clips
  9. Flat gasket
10. Drive ring

Item number Shaft dia.
mm
Length L1
mm.
Length L3
mm.
Radius
inch
Bolt dia. mm. - L4 Dia. mm.
D3
Dia. mm.
D4
Dia. mm.
D5
Dia. mm.
D6
Stationary part
product side
Rotating part
product side
Stationary part
material
Rotating part
material
Elastomer
type
Base unit Quantity
034540203075V 30,0 53,4 33,1 1/4" NPT 13,2 105,0 49,0 - 56,0 48,0 67,0 Sic Sic Sic Car Viton PCS
034540203875E 38,0 53,4 33,1 3/8" NPT 13,4 123,0 57,0 - 66,0 56,0 75,0 Sic Sic Sic Car EPDM PCS
034540206075V 60,0 53,4 33,1 3/8" NPT 18,0 157,0 79,0 - 91,0 78,0 102,0 Sic Sic Sic Car Viton PCS
034540207075V 70,0 53,4 33,1 3/8" NPT 18,0 178,0 95,0 - 108,0 93,0 118,0 Sic Sic Sic Car Viton PCS
034540209995V 100 63,9 44,1 22,0 218,0 127,0 125,4 154,0 TC TC Sic Car VITON PCS
Subject to incorrect product data, variations in images/videos, and price and exchange rate changes.
Luk

It only takes 1 minute...

Luk
Log in

There was an error!

Create new password

There was an error!

We've sent you an email with a link to create your new password. Please check your spam folder if you cannot find it.