101S mechanical seal

Application: 

Shaft sealing for e.g. pumps.

Construction: 

  • The shaft seal is with open compression spring
  • Provided with a rubber sleeve that acts as a secondary sealing around the shaft
  • Is not directional
  • The compression spring is open

Quality: 

  • Spring in stainless steel
  • Rubber bellow in either nitrile or EPDM rubber
  • The slide ring is in carbon or silicon
  • The seat is made of ceramic or silicon 

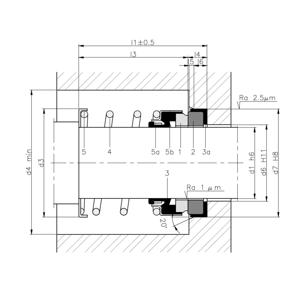
Components:

1. Rotating contact surface
2. Stationary contact surface
3. Bellows
3a. Elastomeric cup
4. Spring
5. Ring
5a. Drive ring
5b. Metal frame

Item number Shaft dia.
mm
Rotating part
material
Stationary part
material
Elastomer
type
Base unit Quantity
0345101S167E 15,87 (5/8") Sic Sic EPDM PCS
0345101S223E 22,20 (7/8") Car Cer EPDM PCS
0345101S223N 22,2 (7/8") Car Cer NBR PCS
0345101S323E 31,75 (1 1/4") Car Cer EPDM PCS
0345101S323N 31,75 (1 1/4") Car Cer NBR PCS
Subject to incorrect product data, variations in images/videos, and price and exchange rate changes.
Luk

It only takes 1 minute...

Luk
Log in

There was an error!

Create new password

There was an error!

We've sent you an email with a link to create your new password. Please check your spam folder if you cannot find it.