Flange liner, DIN, 11864-2, series C

Aseptic flange liner according to the DIN standard 11864-2, series C.

Made of stainless steel AISI 316L/EN 1.4404. 

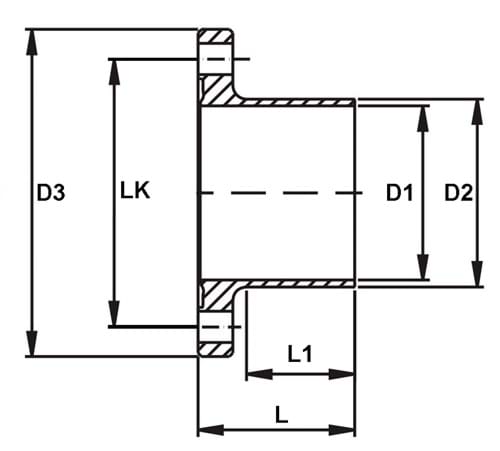
Item number Nominal dim.
mm.
D1 dia.
mm.
D2 dia.
mm.
Dia. mm.
D3
Length L
mm.
Installation dim. L1
mm.
Bolt parts
dia. mm. LK
Net weight
kg.
Base unit Quantity
0102260013C 12,7 9,4 12,7 54,0 40,0 26,0 37,0 - 4 x ø9,0 0,16 PCS
0102260020C 19,1 15,8 19,1 59,0 40,0 26,0 42,0 - 4 x ø9,0 0,20 PCS
0102260025C 25,4 22,1 25,4 66,0 40,0 26,0 49 - 4 x ø 9,0 0,240 PCS
0102260040C 38,1 34,8 38,1 79,0 45,0 31,0 62 - 4 x ø 9,0 0,330 PCS
0102260050C 50,8 47,5 50,8 92,0 45,0 31,0 75 - 4 x ø 9,0 0,410 PCS
0102260065C 63,5 60,2 63,5 107,0 54 42,0 89 - 8 x ø 9,0 0,530 PCS
0102260080C 76,2 72,9 76,2 125,0 56,0 42,0 104 - 8 x ø 11,0 0,800 PCS
0102260100C 101,6 97,4 101,6 157,0 58,0 42,0 135 - 8 x ø 11,0 1,410 PCS
Subject to incorrect product data, variations in images/videos, and price and exchange rate changes.
Luk

It only takes 1 minute...

Luk
Log in

There was an error!

Create new password

There was an error!

We've sent you an email with a link to create your new password. Please check your spam folder if you cannot find it.