Clamp liner, DIN, 11864-3, series B

Aseptic clamp liner following the standard DIN 11864-3, series B.

Made of stainless steel AISI 316L. 

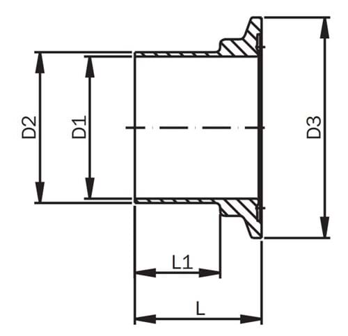
Item number Nominal dim.
mm.
D1 dia.
mm.
D2 dia.
mm.
Dia. mm.
D3
Length L
mm.
Installation dim. L1
mm.
Net weight
kg.
Base unit Quantity
0102283013B 13,5 10,3 13,5 34,0 39,5 26,0 0,04 PCS
0102283017B 17,2 14,0 17,2 34,0 38,0 26,0 0,04 PCS
0102283021B 21,3 18,1 21,3 34,0 39,0 26,0 0,04 PCS
0102283026B 26,9 23,7 26,9 50,5 39,0 30,0 0,08 PCS
0102283033B 33,7 29,7 33,7 50,5 44,0 30,0 0,08 PCS
0102283042B 42,4 38,4 42,4 64,0 44,0 30,0 0,12 PCS
0102283048B 40,0 44,3 48,3 64,0 45,0 30,0 0,11 PCS
0102283060B 60,3 56,3 60,3 91,0 57,0 40,0 0,22 PCS
0102283076B 76,1 72,1 76,1 106,0 58,5 40,0 0,32 PCS
0102283088B 88,9 84,3 88,9 119,0 61,0 40,0 0,36 PCS
Subject to incorrect product data, variations in images/videos, and price and exchange rate changes.
Luk

It only takes 1 minute...

Luk
Log in

There was an error!

Create new password

There was an error!

We've sent you an email with a link to create your new password. Please check your spam folder if you cannot find it.