Clamp nut, DIN, 11864-3, series A

Aseptic clamp nut following the standard DIN 11864-3, series A.

Made of stainless steel AISI 316L. 

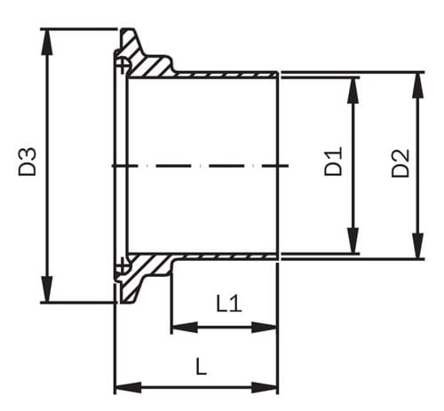
Item number Nominal dim.
mm.
D1 dia.
mm.
D2 dia.
mm.
Dia. mm.
D3
Length L
mm.
Installation dim. L1
mm.
Net weight
kg.
Base unit Quantity
0102280010A 10,0 10,0 13,0 34,0 39,5 26,0 0,04 PCS
0102280015A 15,0 16,0 19,0 34,0 39,5 26,0 0,04 PCS
0102280020A 20,0 20,0 23,0 50,5 39,5 26,0 0,09 PCS
0102280025A 25,0 26,0 29,0 50,5 40,0 28,0 0,09 PCS
0102280032A 32,0 32,0 35,0 50,5 45,5 30,0 0,09 PCS
0102280040A 40,0 38,0 41,0 64,0 45,5 30,0 0,13 PCS
0102280050A 50,0 50,0 53,0 77,5 46,0 30,0 0,17 PCS
0102280065A 65,0 66,0 70,0 91,0 58,0 40,0 0,26 PCS
0102280080A 80,0 81,0 85,0 106,0 60,0 40,0 0,30 PCS
0102280100A 100,0 100,0 104,0 130,0 61,5 40,0 0,40 PCS
Subject to incorrect product data, variations in images/videos, and price and exchange rate changes.
Luk

It only takes 1 minute...

Luk
Log in

There was an error!

Create new password

There was an error!

We've sent you an email with a link to create your new password. Please check your spam folder if you cannot find it.