Clamp nut, DIN, 11864-3, series C

Aseptic clamp nut following the standard DIN 11864-3, series C.

Made of stainless steel AISI 316L/EN 1.4404. 

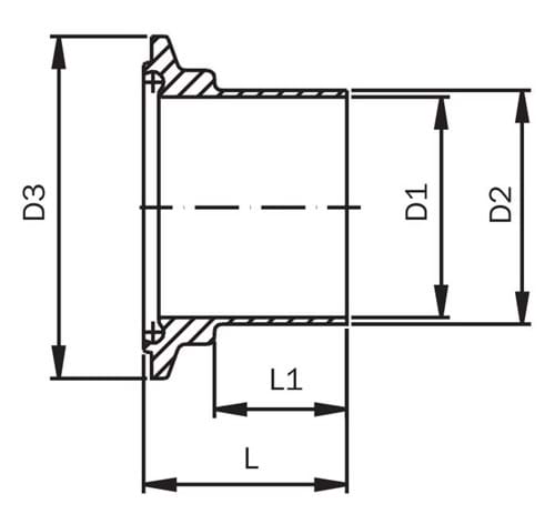
Item number Nominal dim.
mm.
Nominal dim.
inch
D1 dia.
mm.
D2 dia.
mm.
Dia. mm.
D3
Length L
mm.
Installation dim. L1
mm.
Net weight
kg.
Base unit Quantity
0102284025C 25 1" 22,1 25,4 50,5 40,0 28,0 0,09 PCS
0102284040C 38,0 1½" 34,8 38,1 64,0 45,5 30,0 0,140 PCS
0102284050C 51,0 2" 47,5 50,8 77,5 46,0 30,0 0,170 PCS
0102284065C 63,5 2½" 60,2 63,5 93,0 59,0 40,0 0,24 PCS
0102284080C 76,2 3" 72,9 76,2 106,0 60,0 40,0 0,30 PCS
0102284100C 100 4" 97,4 101,6 130,0 61,0 40,0 0,42 PCS
Subject to incorrect product data, variations in images/videos, and price and exchange rate changes.
Luk

It only takes 1 minute...

Luk
Log in

There was an error!

Create new password

There was an error!

We've sent you an email with a link to create your new password. Please check your spam folder if you cannot find it.