Blind liner, aseptic DIN 11864-1, series A, DIN Blind liner, aseptic DIN 11864-1, series A, DIN

Blind liner, aseptic DIN 11864-1, series A, DIN

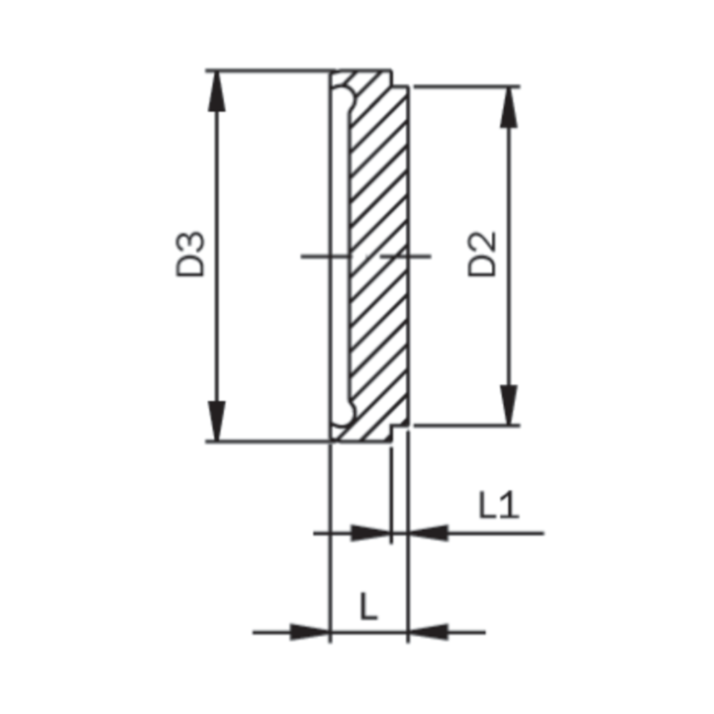
Follows the standard DIN 11864, series A.

Made of stainless steel AISI 316L / EN 1.4404. 

Item number Nom. dim. - DN D2 dia.
mm.
Dia. mm.
D3
Installation dim. L1
mm.
Length L
mm.
Net weight
kg.
Base unit Quantity
0102233010A 10 18,0 21,9 3,0 09,0 0,02 PCS
0102233015A 15 24,0 027,9 3,0 9,0 0,03 PCS
0102233020A 20 30,0 35,9 3,0 10,0 0,06 PCS
0102233025A 25 35,0 42,9 3,0 12,0 0,10 PCS
0102233032A 32 41,0 48,9 3,0 13,0 0,13 PCS
0102233040A 40 48,0 54,9 3,0 13,0 0,16 PCS
0102233050A 50 61,0 66,9 3,0 14,0 0,27 PCS
0102233065A 65 79,0 84,9 4,0 16,0 0,52 PCS
0102233080A 80 93,0 98,9 4,0 16,0 0,70 PCS
0102233100A 100 114,0 118,9 5,0 20,0 1,37 PCS
Subject to incorrect product data, variations in images/videos, and price and exchange rate changes.
Luk

It only takes 1 minute...

Luk
Log in

There was an error!

Create new password

There was an error!

We've sent you an email with a link to create your new password. Please check your spam folder if you cannot find it.