Tee - long, DIN Tee - long, DIN
Tee - long, DIN

Tee - long, DIN

The interior of the Tee is stained while the exterior is ground.
Delivered with smooth ends.

Made of stainless steel AISI 316L / EN 1.4404.

Standard DIN 11852.

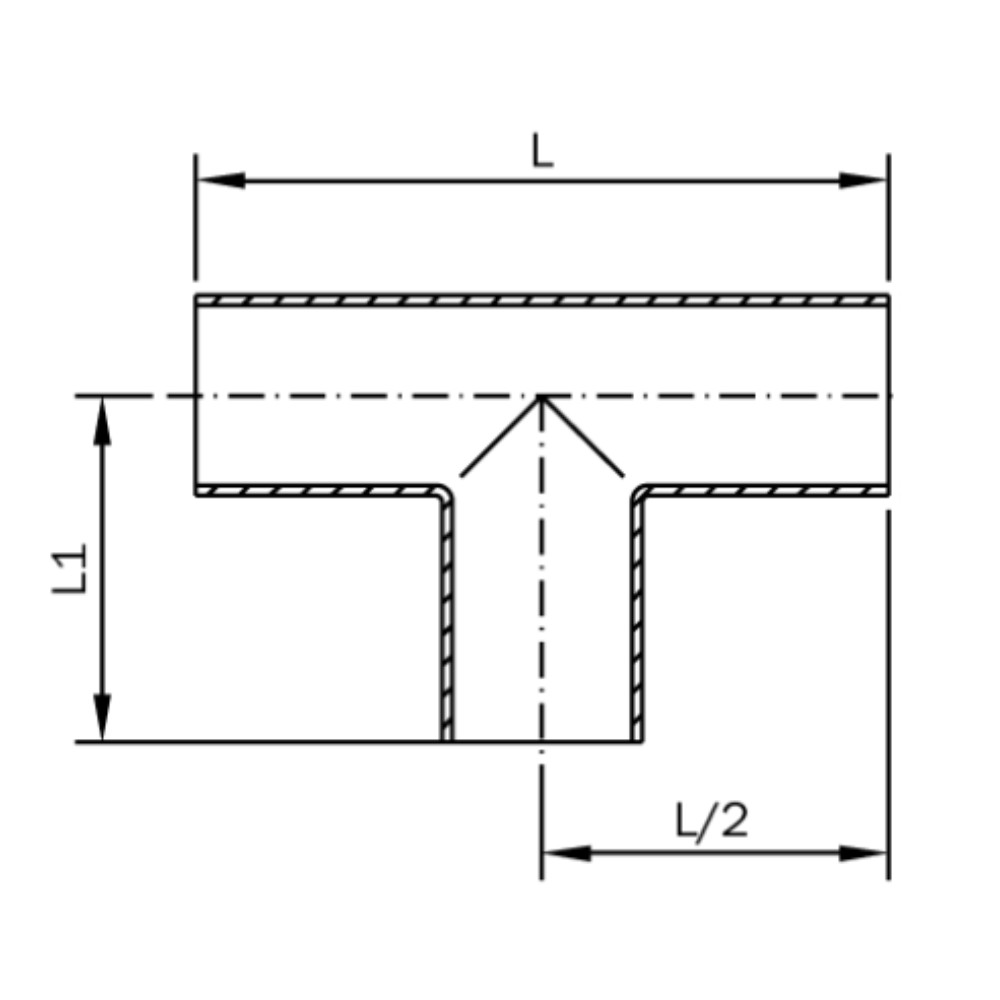
Item number Nominal dim.
mm.
Nom. dim. - DN Length L
mm.
Installation dim. L
mm.
Thickness T
mm.
Net weight
kg.
Base unit Quantity
0101042100 13,0 10 52,0 26,0 1,50 0,100 PCS
0101042150 19,0 15 70,0 35,0 1,50 0,100 PCS
0101042200 23,0 20 80,0 40,0 1,50 0,100 PCS
0101042250 29,0 25 100,0 50,0 1,50 0,100 PCS
0101042320 35,0 32 110,0 55,0 1,50 0,130 PCS
0101042400 41,0 40 120,0 60,0 1,50 0,210 PCS
0101042500 53,0 50 140,0 70,0 1,50 0,290 PCS
0101042650 70,0 65 160,0 80,0 2,00 0,620 PCS
0101042800 85,0 80 180,0 90,0 2,00 0,850 PCS
0101042990 104,0 100 200,0 100,0 2,00 1,620 PCS
Subject to incorrect product data, variations in images/videos, and price and exchange rate changes.
Luk

It only takes 1 minute...

Luk
Log in

There was an error!

Create new password

There was an error!

We've sent you an email with a link to create your new password. Please check your spam folder if you cannot find it.