DS Male, weld on

Internal surface roughness of R 0.8 µ and provided with a batch number.
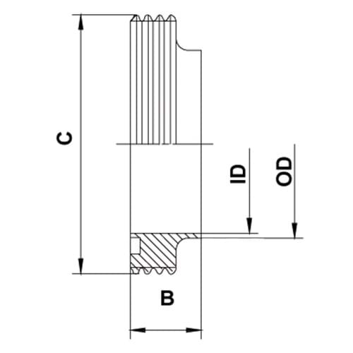
Designed with collar for welding on stainless steel dairy pipes.

Made of stainless steel AISI 316L / EN 1.4404. 

Item number Nominal dim.
mm.
C dia.
mm.
ID Ø dia.
mm.
OD Ø dia.
mm.
Length B
mm
Net weight
kg.
Base unit Quantity
0101150250 25,0 44,0 x 1/6 22,6 25,6 18,5 0,050 PCS
0101150380 38,0 58,0 x 1/6 35,6 38,6 20,0 0,140 PCS
0101150510 51,0 72,0 x 1/6 48,6 51,6 20,0 0,210 PCS
0101150640 63,5 88,0 x 1/6 60,3 64,1 24,0 0,350 PCS
0101150760 76,1 100,0 x 1/6 72,9 76,7 24,0 0,430 PCS
0101151020 101,6 130,0 x 1/4 97,6 102,5 24,0 0,780 PCS
Subject to incorrect product data, variations in images/videos, and price and exchange rate changes.
Luk

It only takes 1 minute...

Luk
Log in

There was an error!

Create new password

There was an error!

We've sent you an email with a link to create your new password. Please check your spam folder if you cannot find it.