DS reduction liner, expansion

Internal surface roughness of R 0.8 ยต and provided with a batch number.
Designed with grooves for deep rolling of dairy pipes.

Made of AISI 316L / EN 1.4404 stainless steel. 

Item number Nominal dim.
mm.
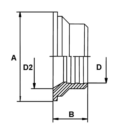
A dia.
mm
D2 dia.
mm.
D dia.
mm.
Length B
mm
Net weight
kg.
Base unit Quantity
0101180380 38,0 54,0 38,0 25,0 30,0 0,0 PCS
0101180510 51,0 68,0 51,0 25,0 32,0 0,0 PCS
0101180511 51,0 68,0 51,0 38,0 38,0 0,0 PCS
0101180640 63,5 84,0 63,5 38,0 38,0 0,0 PCS
0101180641 63,5 84,0 63,5 51,0 42,0 0,0 PCS
0101180761 76,0 96,0 76,1 51,0 44,0 0,0 PCS
0101180762 76,0 96,0 76,1 63,5 44,0 0,0 PCS
Subject to incorrect product data, variations in images/videos, and price and exchange rate changes.
Luk

It only takes 1 minute...

Luk
Log in

There was an error!

Create new password

There was an error!

We've sent you an email with a link to create your new password. Please check your spam folder if you cannot find it.