Vacuum flange, KF

Application:

Quick-connect flange according to the KF standard (Klein Flange), used for vacuum-tight connections between pipes, valves, vacuum chambers and pumps. The connection can be assembled and disassembled without the use of tools, making it ideal for vacuum systems with frequent maintenance or frequent changes in the setup.

Construction:

The flanges are connected using a centring ring with a built-in gasket, which is secured with an external KF clamp. The construction ensures a quick and reliable seal that is suitable for low, medium and high vacuum.

  • Complies with DIN 28403 and ISO 2861 standards.
  • Connections are available from DN10 to DN50.
  • The vacuum pressure depends on the selected gasket material.

Quality:

Manufactured in stainless steel AISI 316L. The material and design guarantee compatibility with other standardised KF components in accordance with the applicable DIN/ISO standards.

Vacuum pressure:

10-7 mbar.

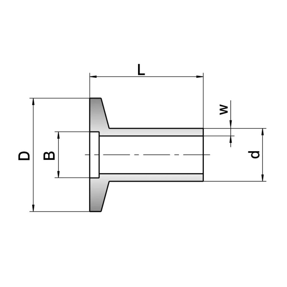
Item number Nom. dim. - DN D Dia.
mm.
Dia. mm. - B D Dia.
mm.
DIN dia. mm. Length L
mm.
Thickness T
mm.
Weight/pcs.
kg.
Quantity
0102901030 DN10 14,0 12,2 30,0 DN10 30,0 2,0 0,037
0102901630 DN16 20,0 17,2 30,0 DN16 30,0 2,0 0,038
0102902530 DN25 28,0 26,2 40,0 DN25 30,0 2,0 0,056
0102904030 DN40 44,5 41,2 55,0 DN40 30,0 2,0 0,087
0102905030 DN50 57,0 52,4 75,0 DN50 30,0 3,2 0,190
Subject to incorrect product data, variations in images/videos, and price and exchange rate changes.
Luk

It only takes 1 minute...

Luk
Log in

There was an error!

Create new password

There was an error!

We've sent you an email with a link to create your new password. Please check your spam folder if you cannot find it.